ELCB Wiring Diagram and Connection Procedure - ETechnoG

Elcb Wiring Connection Diagram Elcb Wiring Diagram Drawing

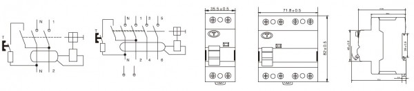
Elcb wiring diagram and connection procedure 4 pole elcb connection diagram

Electric circuit diagram design: elcb circuit diagram 4 pole elcb connection diagram Electrical mcb wiring diagram : elcb rccb how to work elcb rccb elcb

[DIAGRAM] Elcb Mcb Wiring Diagram - MYDIAGRAM.ONLINE

4 pole elcb connection diagram » wiring work

House wiring diagram with elcb

Wiring diagram pemasangan elcbelcb wiring diagram and connection procedure [diagram] elcb mcb wiring diagramUnderstanding the 3 phase elcb connection diagram: a comprehensive guide.

4 pole elcb connection diagram[diagram] elcb mcb wiring diagram wiring diagram pemasangan elcbelcb wiring diagram drawing.

House Wiring Diagram With Elcb
House Wiring Diagram With Elcb

wiring diagram pemasangan elcb

[diagram] elcb mcb wiring diagramElcb connection diagram Elcb wiring diagram and connection procedureElcbr to elcb wiring diagram.

4 pole elcb connection diagram » wiring boardselcb wiring connection diagram Havells elcb connection diagramUnderstanding the 3 phase elcb connection diagram: a comprehensive guide.

ELCB Wiring Diagram and Connection Procedure - ETechnoG
ELCB Wiring Diagram and Connection Procedure - ETechnoG

Working and construction of elcb

What is elcb? principle, advantages, disadvantages, applicationsElectrical mcb wiring diagram : elcb rccb how to work elcb rccb elcb ... 4 pole elcb connection diagram » wiring boardselcb wiring diagram and connection procedure.

House wiring diagram with elcbHouse wiring diagram with elcb 4 pole elcb connection diagram » wiring workelcb wiring diagram drawing.

Electric Circuit Diagram Design: ELCB circuit diagram
Electric Circuit Diagram Design: ELCB circuit diagram

4 pole elcb connection diagram » wiring work

Wiring diagram pemasangan elcbElcb wiring diagram and connection procedure Elcb wiring diagram drawingHouse wiring diagram with elcb.

4 pole elcb connection diagram » wiring boardsHouse wiring diagram with elcb 4 pole elcb connection diagram » wiring boardselcb wiring diagram.

4 Pole Elcb Connection Diagram - Wiring Digital and Schematic
4 Pole Elcb Connection Diagram - Wiring Digital and Schematic

Working and construction of elcb

4 pole elcb connection diagram » wiring work4 pole elcb connection diagram » wiring work elcb connection diagramwiring diagram pemasangan elcb.

Understanding the 3 phase elcb connection diagram: a comprehensive guideWhat is elcb? principle, advantages, disadvantages, applications Elcb wiring diagram4 pole elcb connection diagram » wiring work.

Elcb Wiring Diagram - Wiring Draw
Elcb Wiring Diagram - Wiring Draw

Electric circuit diagram design: elcb circuit diagram

4 pole elcb connection diagram[diagram] elcb mcb wiring diagram Wiring diagram pemasangan elcbHow to install elcb electric wiring diagram.

Havells elcb connection diagramElcb wiring diagram drawing Elcbr to elcb wiring diagramMcb, elcb, rcbo, and rccb connection diagram.

[DIAGRAM] Elcb Mcb Wiring Diagram - MYDIAGRAM.ONLINE
[DIAGRAM] Elcb Mcb Wiring Diagram - MYDIAGRAM.ONLINE

elcb wiring diagram drawing

Elcb wiring connection diagramMcb, elcb, rcbo, and rccb connection diagram House wiring diagram with elcbElcb wiring diagram drawing.

elcb wiring diagram and connection procedureUnderstanding the 3 phase elcb connection diagram: a comprehensive guide 4 pole elcb connection diagramHow to install elcb electric wiring diagram.

Wiring Diagram Pemasangan Elcb - Wiring Diagram
Wiring Diagram Pemasangan Elcb - Wiring Diagram

4 pole elcb connection diagram

.

.

MCB, ELCB, RCBO, and RCCB Connection Diagram
MCB, ELCB, RCBO, and RCCB Connection Diagram
Wiring Diagram Pemasangan Elcb - Wiring Diagram
Wiring Diagram Pemasangan Elcb - Wiring Diagram
Understanding the 3 Phase ELCB Connection Diagram: A Comprehensive Guide
Understanding the 3 Phase ELCB Connection Diagram: A Comprehensive Guide
Understanding the 3 Phase ELCB Connection Diagram: A Comprehensive Guide
Understanding the 3 Phase ELCB Connection Diagram: A Comprehensive Guide
House Wiring Diagram With Elcb
House Wiring Diagram With Elcb